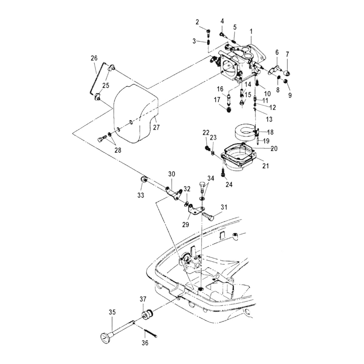
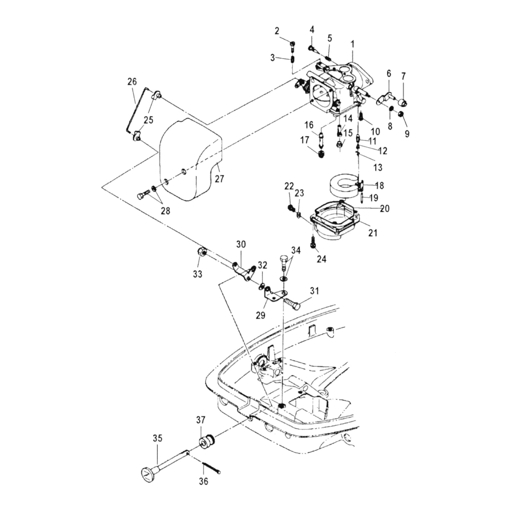
Intake Silencer - Carburetor #27

$43.42

+GST

Low stock - only 2 items left

Mercury 30hp 2 cylinder, 2 stroke, International 0N055505 & Up