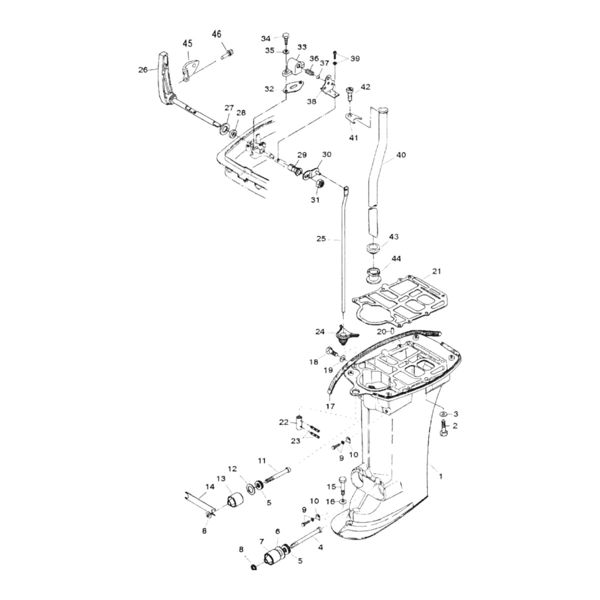
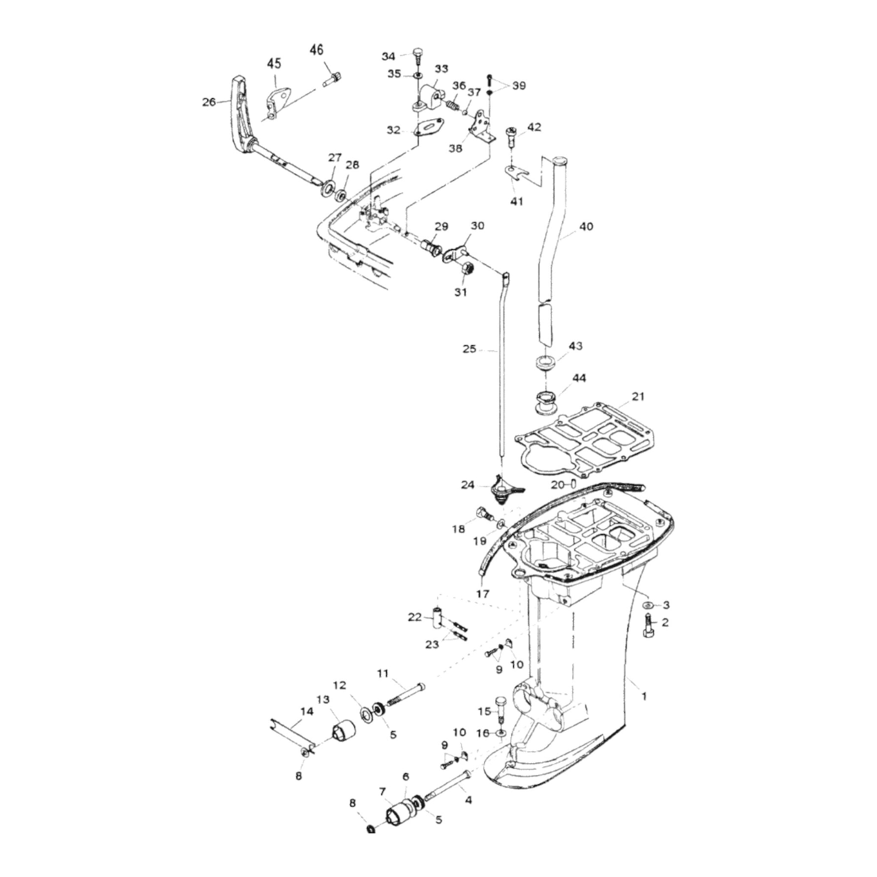
Shift Lever Stop - Driveshaft Housing #33

$25.22

+GST

4 in stock

Mercury 30hp 2 cylinder, 2 stroke, International 0N055505 & Up